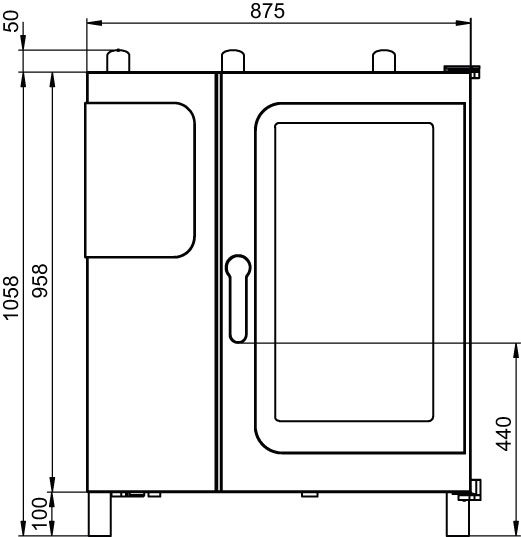
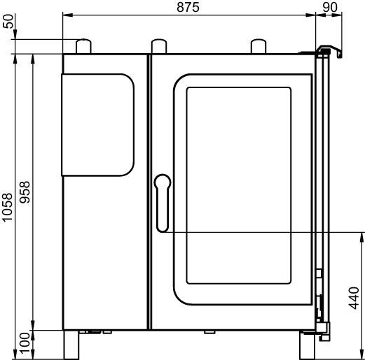
Convotherm maxx pro 10.10 - Abmessungen und Anschlusspositionen
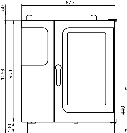
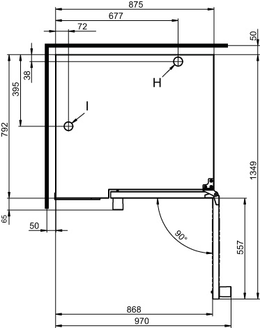
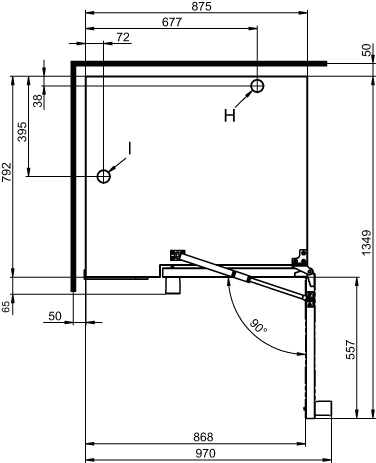
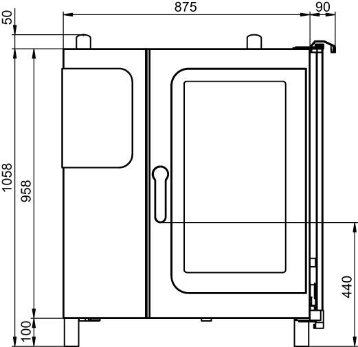
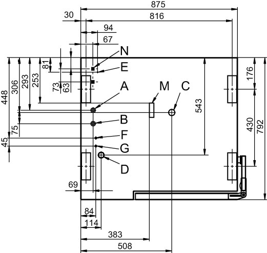
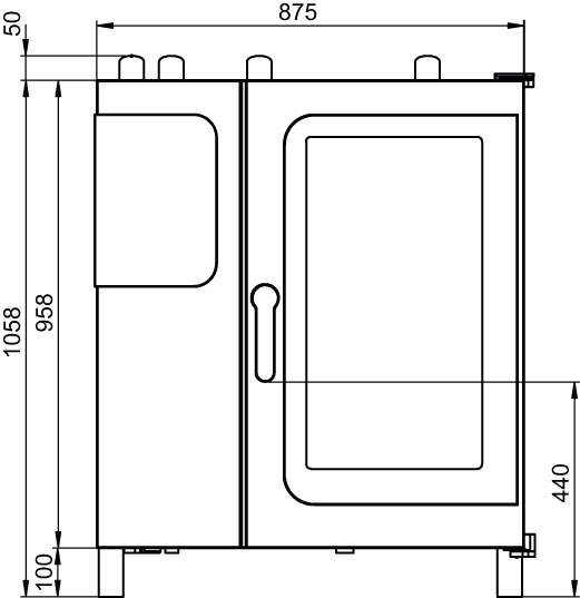
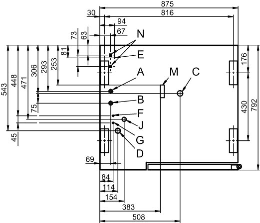
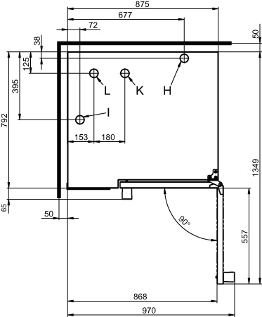
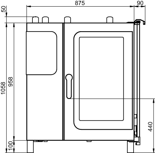
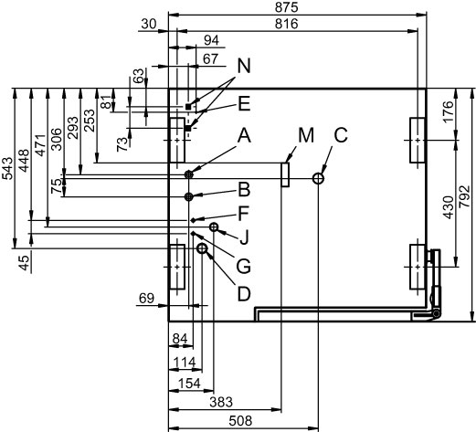
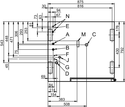
C4 10.10 EB/ES (Gerätetür mit Rechtsanschlag)
|  |  | 
| 
 | 
 | 
|  |  | 
| 
 | * Distanz abhängig vom Auszug der Gerätefüße (max. +25 mm)
 | 
|  |  | 
| 
 | 
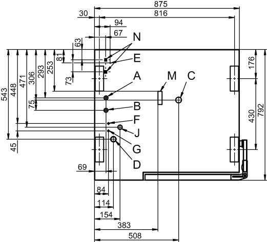
| A | Wasseranschluss Weichwasser G 3/4" |  
| B | Wasseranschluss Hartwasser G 3/4" |  
| C | Abwasseranschluss DN 50 |  
| D | Elektroanschluss |  
| E | Potenzialausgleich |  
| F | Klarspülmittelanschluss (optional) |  
| G | Reinigungsmittelanschluss (optional) |  
| H | Abluftstutzen ⌀ 50 mm |  
| I | Belüftungsstutzen ⌀ 50 mm |  
| M | Sicherheitsüberlauf 80 x 25 mm |  
| N | Ethernetanschluss RJ45 |  | 
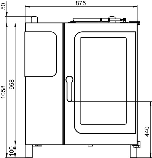
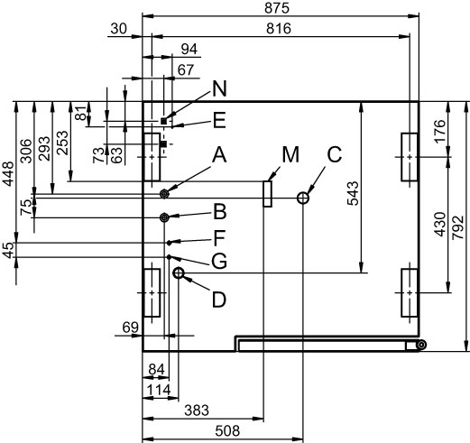
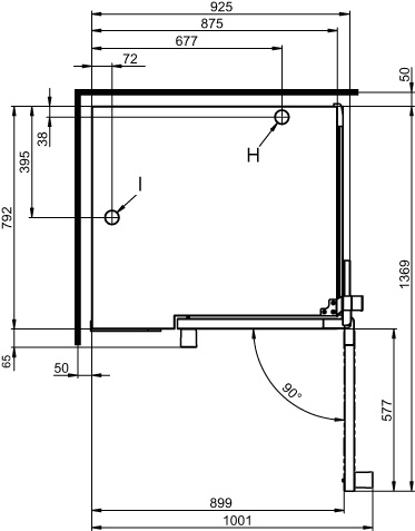
C4 10.10 EB/ES (Gerätetür mit Rechtsanschlag / Marineversion)
|  |  | 
| 
 | 
 | 
|  |  | 
| 
 | * Distanz abhängig vom Auszug der Gerätefüße (max. +25 mm)
 | 
|  |  | 
| 
 | 
| A | Wasseranschluss Weichwasser G 3/4" |  
| B | Wasseranschluss Hartwasser G 3/4" |  
| C | Abwasseranschluss DN 50 |  
| D | Elektroanschluss |  
| E | Potenzialausgleich |  
| F | Klarspülmittelanschluss (optional) |  
| G | Reinigungsmittelanschluss (optional) |  
| H | Abluftstutzen ⌀ 50 mm |  
| I | Belüftungsstutzen ⌀ 50 mm |  
| M | Sicherheitsüberlauf 80 x 25 mm |  
| N | Ethernetanschluss RJ45 |  | 
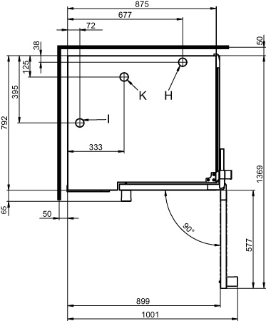
C4 10.10 EB/ES (Verschwindetür)
|  |  | 
| 
 | 
 | 
|  |  | 
| 
 | * Distanz abhängig vom Auszug der Gerätefüße (max. +25 mm)
 | 
|  |  | 
| 
 | 
| A | Wasseranschluss Weichwasser G 3/4" |  
| B | Wasseranschluss Hartwasser G 3/4" |  
| C | Abwasseranschluss DN 50 |  
| D | Elektroanschluss |  
| E | Potenzialausgleich |  
| F | Klarspülmittelanschluss (optional) |  
| G | Reinigungsmittelanschluss (optional) |  
| H | Abluftstutzen ⌀ 50 mm |  
| I | Belüftungsstutzen ⌀ 50 mm |  
| M | Sicherheitsüberlauf 80 x 25 mm |  
| N | Ethernetanschluss RJ45 |  | 
C4 10.10 EB/ES (Verschwindetür / Marineversion)
|  |  | 
| 
 | 
 | 
|  |  | 
| 
 | * Distanz abhängig vom Auszug der Gerätefüße (max. +25 mm)
 | 
|  |  | 
| 
 | 
| A | Wasseranschluss Weichwasser G 3/4" |  
| B | Wasseranschluss Hartwasser G 3/4" |  
| C | Abwasseranschluss DN 50 |  
| D | Elektroanschluss |  
| E | Potenzialausgleich |  
| F | Klarspülmittelanschluss (optional) |  
| G | Reinigungsmittelanschluss (optional) |  
| H | Abluftstutzen ⌀ 50 mm |  
| I | Belüftungsstutzen ⌀ 50 mm |  
| M | Sicherheitsüberlauf 80 x 25 mm |  
| N | Ethernetanschluss RJ45 |  | 
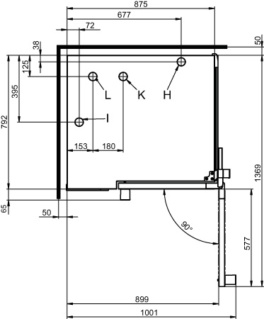
C4 10.10 GB (Gerätetür mit Rechtsanschlag)
|  |  | 
| 
 | 
 | 
|  |  | 
| 
 | * Distanz abhängig vom Auszug der Gerätefüße (max. +25 mm)
 | 
|  |  | 
| 
 | 
| A | Wasseranschluss Weichwasser G 3/4" |  
| B | Wasseranschluss Hartwasser G 3/4" |  
| C | Abwasseranschluss DN 50 |  
| D | Elektroanschluss |  
| E | Potenzialausgleich |  
| F | Klarspülmittelanschluss (optional) |  
| G | Reinigungsmittelanschluss (optional) |  
| H | Abluftstutzen ⌀ 50 mm |  
| I | Belüftungsstutzen ⌀ 50 mm |  
| J | Gasanschluss |  
| K | Abgasstutzen Heißluftbrenner ⌀ 50 mm |  
| L | Abgasstutzen Boilerbrenner ⌀ 50 mm |  
| M | Sicherheitsüberlauf 80 x 25 mm |  
| N | Ethernetanschluss RJ45 |  | 
C4 10.10 GB (Verschwindetür)
|  |  | 
| 
 | 
 | 
|  |  | 
| 
 | * Distanz abhängig vom Auszug der Gerätefüße (max. +25 mm)
 | 
|  |  | 
| 
 | 
| A | Wasseranschluss Weichwasser G 3/4" |  
| B | Wasseranschluss Hartwasser G 3/4" |  
| C | Abwasseranschluss DN 50 |  
| D | Elektroanschluss |  
| E | Potenzialausgleich |  
| F | Klarspülmittelanschluss (optional) |  
| G | Reinigungsmittelanschluss (optional) |  
| H | Abluftstutzen ⌀ 50 mm |  
| I | Belüftungsstutzen ⌀ 50 mm |  
| J | Gasanschluss |  
| K | Abgasstutzen Heißluftbrenner ⌀ 50 mm |  
| L | Abgasstutzen Boilerbrenner ⌀ 50 mm |  
| M | Sicherheitsüberlauf 80 x 25 mm |  
| N | Ethernetanschluss RJ45 |  | 
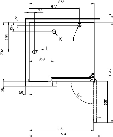
C4 10.10 GS (Gerätetür mit Rechtsanschlag)
|  |  | 
| 
 | 
 | 
|  |  | 
| 
 | * Distanz abhängig vom Auszug der Gerätefüße (max. +25 mm)
 | 
|  |  | 
| 
 | 
| A | Wasseranschluss Weichwasser G 3/4" |  
| B | Wasseranschluss Hartwasser G 3/4" |  
| C | Abwasseranschluss DN 50 |  
| D | Elektroanschluss |  
| E | Potenzialausgleich |  
| F | Klarspülmittelanschluss (optional) |  
| G | Reinigungsmittelanschluss (optional) |  
| H | Abluftstutzen ⌀ 50 mm |  
| I | Belüftungsstutzen ⌀ 50 mm |  
| J | Gasanschluss |  
| K | Abgasstutzen ⌀ 50 mm |  
| M | Sicherheitsüberlauf 80 x 25 mm |  
| N | Ethernetanschluss RJ45 |  | 
C4 10.10 GS (Verschwindetür)
|  |  | 
| 
 | 
 | 
|  |  | 
| 
 | * Distanz abhängig vom Auszug der Gerätefüße (max. +25 mm)
 | 
|  |  | 
| 
 | 
| A | Wasseranschluss Weichwasser G 3/4" |  
| B | Wasseranschluss Hartwasser G 3/4" |  
| C | Abwasseranschluss DN 50 |  
| D | Elektroanschluss |  
| E | Potenzialausgleich |  
| F | Klarspülmittelanschluss (optional) |  
| G | Reinigungsmittelanschluss (optional) |  
| H | Abluftstutzen ⌀ 50 mm |  
| I | Belüftungsstutzen ⌀ 50 mm |  
| J | Gasanschluss |  
| K | Abgasstutzen ⌀ 50 mm |  
| M | Sicherheitsüberlauf 80 x 25 mm |  
| N | Ethernetanschluss RJ45 |  | 
