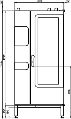
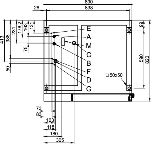
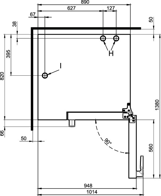
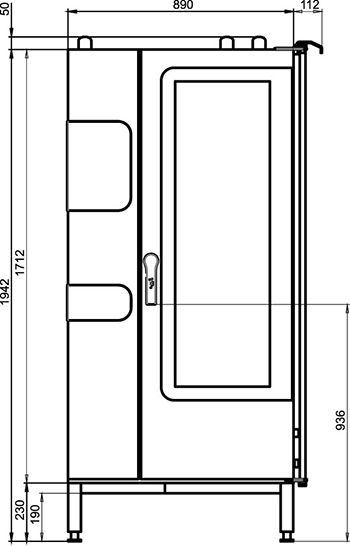
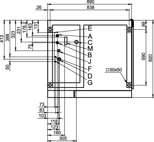
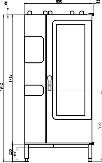
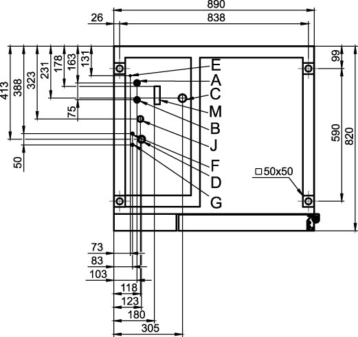
Convotherm 4 20.10 - Abmessungen und Anschlusspositionen
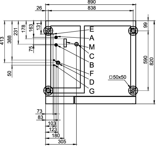
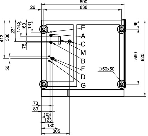
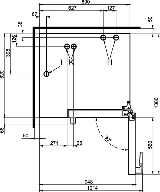
C4 20.10 EB/ES (Gerätetür mit Rechtsanschlag)
|
|
|

|

|
|
|
|

|
* Distanz abhängig vom Auszug der Gerätefüße (max. +25 mm)
|
|
|
|

|
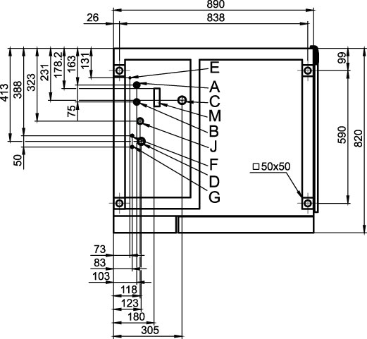
A
|
Wasseranschluss Weichwasser G 3/4"
|
B
|
Wasseranschluss Hartwasser G 3/4"
|
C
|
Abwasseranschluss DN 50
|
D
|
Elektroanschluss
|
E
|
Potenzialausgleich
|
F
|
Klarspülmittelanschluss (optional)
|
G
|
Reinigungsmittelanschluss (optional)
|
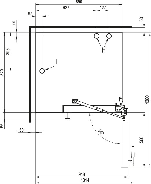
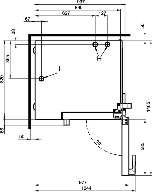
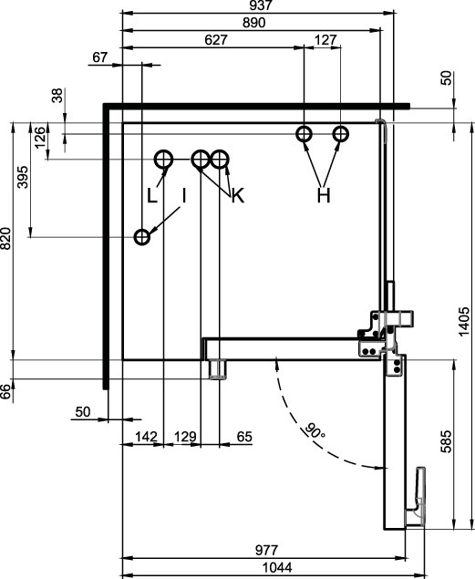
H
|
Abluftstutzen ⌀ 50 mm
|
I
|
Belüftungsstutzen ⌀ 50 mm
|
M
|
Sicherheitsüberlauf 80 x 25 mm
|
|
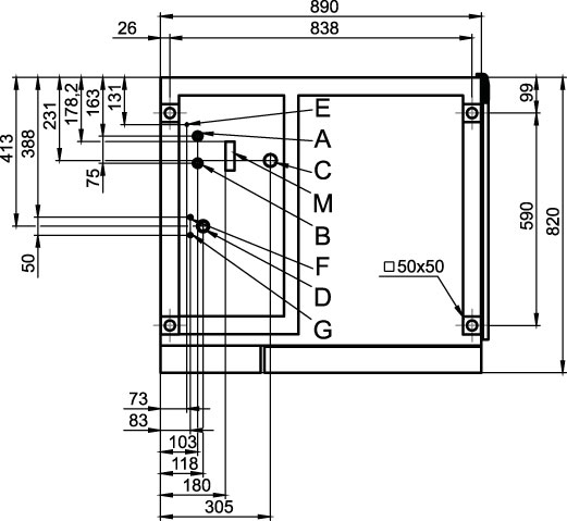
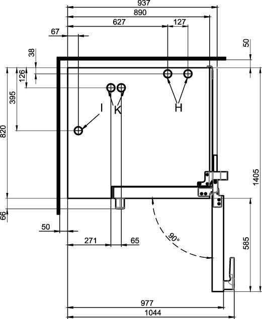
C4 20.10 EB/ES (Gerätetür mit Rechtsanschlag / Marineversion)
|
|
|

|

|
|
|
|

|
* Distanz abhängig vom Auszug der Gerätefüße (max. +25 mm)
|
|
|
|

|
A
|
Wasseranschluss Weichwasser G 3/4"
|
B
|
Wasseranschluss Hartwasser G 3/4"
|
C
|
Abwasseranschluss DN 50
|
D
|
Elektroanschluss
|
E
|
Potenzialausgleich
|
F
|
Klarspülmittelanschluss (optional)
|
G
|
Reinigungsmittelanschluss (optional)
|
H
|
Abluftstutzen ⌀ 50 mm
|
I
|
Belüftungsstutzen ⌀ 50 mm
|
M
|
Sicherheitsüberlauf 80 x 25 mm
|
|
C4 20.10 EB/ES (Verschwindetür)
|
|
|

|

|
|
|
|

|
* Distanz abhängig vom Auszug der Gerätefüße (max. +25 mm)
|
|
|
|

|
A
|
Wasseranschluss Weichwasser G 3/4"
|
B
|
Wasseranschluss Hartwasser G 3/4"
|
C
|
Abwasseranschluss DN 50
|
D
|
Elektroanschluss
|
E
|
Potenzialausgleich
|
F
|
Klarspülmittelanschluss (optional)
|
G
|
Reinigungsmittelanschluss (optional)
|
H
|
Abluftstutzen ⌀ 50 mm
|
I
|
Belüftungsstutzen ⌀ 50 mm
|
M
|
Sicherheitsüberlauf 80 x 25 mm
|
|
C4 20.10 EB/ES (Verschwindetür / Marineversion)
|
|
|

|

|
|
|
|

|
* Distanz abhängig vom Auszug der Gerätefüße (max. +25 mm)
|
|
|
|

|
A
|
Wasseranschluss Weichwasser G 3/4"
|
B
|
Wasseranschluss Hartwasser G 3/4"
|
C
|
Abwasseranschluss DN 50
|
D
|
Elektroanschluss
|
E
|
Potenzialausgleich
|
F
|
Klarspülmittelanschluss (optional)
|
G
|
Reinigungsmittelanschluss (optional)
|
H
|
Abluftstutzen ⌀ 50 mm
|
I
|
Belüftungsstutzen ⌀ 50 mm
|
M
|
Sicherheitsüberlauf 80 x 25 mm
|
|
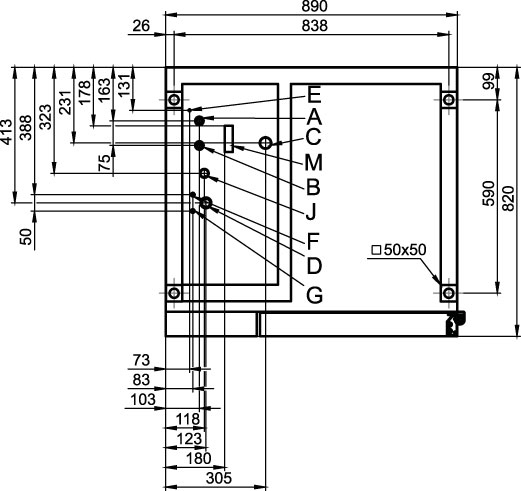
C4 20.10 GB (Gerätetür mit Rechtsanschlag)
|
|
|

|

|
|
|
|

|
* Distanz abhängig vom Auszug der Gerätefüße (max. +25 mm)
|
|
|
|

|
A
|
Wasseranschluss Weichwasser G 3/4"
|
B
|
Wasseranschluss Hartwasser G 3/4"
|
C
|
Abwasseranschluss DN 50
|
D
|
Elektroanschluss
|
E
|
Potenzialausgleich
|
F
|
Klarspülmittelanschluss (optional)
|
G
|
Reinigungsmittelanschluss (optional)
|
H
|
Abluftstutzen ⌀ 50 mm
|
I
|
Belüftungsstutzen ⌀ 50 mm
|
J
|
Gasanschluss
|
K
|
Abgasstutzen Heißluftbrenner ⌀ 50 mm
|
L
|
Abgasstutzen Boilerbrenner ⌀ 60.3 mm
|
M
|
Sicherheitsüberlauf 80 x 25 mm
|
|
C4 20.10 GB (Verschwindetür)
|
|
|

|

|
|
|
|

|
* Distanz abhängig vom Auszug der Gerätefüße (max. +25 mm)
|
|
|
|

|
A
|
Wasseranschluss Weichwasser G 3/4"
|
B
|
Wasseranschluss Hartwasser G 3/4"
|
C
|
Abwasseranschluss DN 50
|
D
|
Elektroanschluss
|
E
|
Potenzialausgleich
|
F
|
Klarspülmittelanschluss (optional)
|
G
|
Reinigungsmittelanschluss (optional)
|
H
|
Abluftstutzen ⌀ 50 mm
|
I
|
Belüftungsstutzen ⌀ 50 mm
|
J
|
Gasanschluss
|
K
|
Abgasstutzen Heißluftbrenner ⌀ 50 mm
|
L
|
Abgasstutzen Boilerbrenner ⌀ 60.3 mm
|
M
|
Sicherheitsüberlauf 80 x 25 mm
|
|
C4 20.10 GS (Gerätetür mit Rechtsanschlag)
|
|
|

|

|
|
|
|

|
* Distanz abhängig vom Auszug der Gerätefüße (max. +25 mm)
|
|
|
|

|
A
|
Wasseranschluss Weichwasser G 3/4"
|
B
|
Wasseranschluss Hartwasser G 3/4"
|
C
|
Abwasseranschluss DN 50
|
D
|
Elektroanschluss
|
E
|
Potenzialausgleich
|
F
|
Klarspülmittelanschluss (optional)
|
G
|
Reinigungsmittelanschluss (optional)
|
H
|
Abluftstutzen ⌀ 50 mm
|
I
|
Belüftungsstutzen ⌀ 50 mm
|
J
|
Gasanschluss
|
K
|
Abgasstutzen ⌀ 50 mm
|
M
|
Sicherheitsüberlauf 80 x 25 mm
|
|
C4 20.10 GS (Verschwindetür)
|
|
|

|

|
|
|
|

|
* Distanz abhängig vom Auszug der Gerätefüße (max. +25 mm)
|
|
|
|

|
A
|
Wasseranschluss Weichwasser G 3/4"
|
B
|
Wasseranschluss Hartwasser G 3/4"
|
C
|
Abwasseranschluss DN 50
|
D
|
Elektroanschluss
|
E
|
Potenzialausgleich
|
F
|
Klarspülmittelanschluss (optional)
|
G
|
Reinigungsmittelanschluss (optional)
|
H
|
Abluftstutzen ⌀ 50 mm
|
I
|
Belüftungsstutzen ⌀ 50 mm
|
J
|
Gasanschluss
|
K
|
Abgasstutzen ⌀ 50 mm
|
M
|
Sicherheitsüberlauf 80 x 25 mm
|
|